產品名稱:CBS傳感器 AEP CBS稱重傳感器 意大利CBS稱重傳感器
產品品牌:意大利AEP稱重傳感器(LOADCELL)
產品類型:輪輻壓式系列
產品型號:
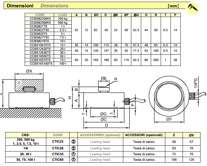
CBS-250kg,CBS-500kg,CBS-1t,CBS-2.5t,CBS-5t,CBS-7.5t,CBS-10t,CBS-15t,CBS-20t,CBS-30t,CBS-50t,CBS-75t,CBS-100t(C2/C3)
CBS稱重傳感器詳細信息請點擊:意大利AEP稱重傳感器獲取最新報價!!!
意大利AEP公司具有40年以上的稱重、壓力、扭矩、位移傳感器領域的經驗,意大利AEP產品在50多個國家設立了國外辦事處及售后服務中心,并在中國設立了【廣州蘭瑟電子科技】傳感事業部,為亞洲提供最佳的意大利AEP產品服務與方案;為了在國際市場上提高競爭力,AEP公司已在過去幾年投入更先進的技術生產高質量的AEP傳感器。
意大利AEP CBS稱重傳感器參數
Carichi Nominali da 250kg to 100t
Errore Combinato: 0.03%
Materiale: Acciaio inox
Uscita: 2mV/V
Saldata al LASER
Protezione: IP68
Certificate ATEX (Zona 1 e 21)

CBS系列產品描述:
CBS-250kg輪輻式AEP稱重傳感器
CBS-500kg輪輻式AEP稱重傳感器
CBS-1t輪輻式AEP稱重傳感器
CBS-2.5t輪輻式AEP稱重傳感器
CBS-5t輪輻式AEP稱重傳感器
CBS-7.5t輪輻式AEP稱重傳感器
CBS-10t輪輻式AEP稱重傳感器
CBS-15t輪輻式AEP稱重傳感器
CBS-20t輪輻式AEP稱重傳感器
CBS-30t輪輻式AEP稱重傳感器
CBS-50t輪輻式AEP稱重傳感器
CBS-75t輪輻式AEP稱重傳感器
CBS-100t輪輻式AEP稱重傳感器
與意大利AEP CBS稱重傳感器波紋管系列產品類似,其它可替代產品:
請點擊下方同系列產品
CP傳感器,意大利dini argeo CP稱重傳感器
EX601H傳感器,意大利CELMI EX601H稱重傳感器
CK-1000kg,意大利Laumas CK-1000kg稱重傳感器
|