廣州蘭瑟電子科技有限公司【一級★代理商】美國ZEMIC BM14G-C3稱重傳感器BM14G-C3(LOADCELL)廠家直銷折扣價格,服務熱線:020-22157650;專業提供美國ZEMIC稱重傳感器BM14G-C3的最新選型和產品資訊。
名稱:BM14G-C3傳感器,美國ZEMIC BM14G-C3稱重傳感器
品牌:美國ZEMIC稱重傳感器
屬性:不銹鋼ZEMIC BM14G-C3梁式稱重傳感器
想了解更多美國zemic的信息請點擊:ZEMIC稱重傳感器了解更多信息
美國ZEMIC BM14G-C3稱重傳感器主要特性:
▲不銹鋼材料,單柱式結構,焊接密封,壓向承載。
▲防護等級IP68.
▲防雷擊可達一萬伏, 適用于汽車衡、平臺秤、料斗秤等各類電子稱重設備。
推薦選擇型號:
|
xxt
|
C3/A5M/B10M
|
BM14G-xx--xxt-15B-SC
|
|
10t-50t通過OIML C3級認證
10t-50t通過NTEP A5M/B1OM級認證
"SC"表示電流輸出型
|
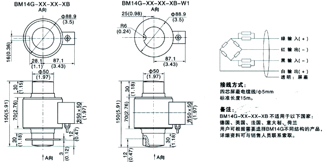
美國ZEMIC BM14G-C3稱重傳感器規格尺寸:

美國ZEMIC BM14G-C3稱重傳感器技術參數:
|
額定載荷
|
t
|
10/20/30/40/50
|
|
精度
|
|
C3
|
C4
|
B10M
|
A5M
|
|
認證
|
|
OIML R60 C3
|
|
|
|
|
最大檢定分度數
|
n max
|
3000
|
4000
|
10000
|
5000
|
|
最小檢定分度值
|
v min
|
Emax/10000
|
Emax/14000
|
Emax/10000
|
Emax/15000
|
|
綜合誤差
|
(%FS)
|
≤±0.020
|
≤±0.018
|
≤±0.05
|
≤±0.026
|
|
蠕變
|
(%FS/30min)
|
≤±0.016
|
≤±0.012
|
≤±0.04
|
≤±0.017
|
|
溫度對輸出靈敏度的影響
|
(%FS/10℃)
|
≤±0.011
|
≤±0.009
|
≤±0.04
|
≤±0.013
|
|
溫度對零點輸出的影響
|
(%FS/10℃)
|
≤±0.015
|
≤±0.010
|
≤±0.02
|
≤±0.014
|
|
輸出靈敏度
|
(mv/v)
|
2.0±0.02
|
|
輸入阻抗
|
(Ω)
|
700±7
|
|
輸出阻抗
|
(Ω)
|
703±4
|
|
絕緣阻抗
|
(MΩ)
|
≥5000(50VDC)
|
|
零點輸出
|
(%FS)
|
≤±1.0
|
|
溫度補償范圍
|
(℃)
|
-10~+40
|
|
允許使用溫度范圍
|
(℃)
|
-35~+70
|
|
推薦激勵電壓
|
(V)
|
5~12(DC)
|
|
最大激勵電壓
|
(V)
|
18(DC)
|
|
安全過載范圍
|
(%FS)
|
150
|
|
極限過載范圍
|
(%FS)
|
300
|
|
ATEX等級(可選)
|
|
II 1G Ex ia II 1C T4
|
II 1D Ex iaD20 T73℃
|
II 3G Ex nL II C T4
|
【廣州蘭瑟電子】主要代理經銷傳感器類型:稱重傳感器、壓力傳感器、扭矩傳感器、荷元以及變送器、稱重模塊、放大器、接線盒、電子秤、儀表及相關配套附件等。我司與美國ZEMIC公司合作多年,提供完善的售前、售中、售后服務,保證您買得放心,用得安心。
美國ZEMIC BM14G-C3稱重傳感器所有型號:
BM14G-C3--10t-15B-SC、BM14G-C3--20t-15B-SC、BM14G-C3--30t-15B-SC、BM14G-C3--40t-15B-SC、BM14G-C3--50t-15B-SC
電話:020-22157650 手機:15322063181
不同規格型號,價格也不同,型號編輯方式是由材質,形狀,精度,量程,線長,線制,電流等要求組成,詳情可咨詢【廣州蘭瑟電子】專業工程師楊帆為您選型。
|